光伏逆变器
应用概述
应用概述
光伏发电系统是指利用光伏电池的光生伏特效应,将太阳辐射能直接转换成电能的发电系统。是一种清洁、安全和可再生的能源。光伏发电过程不污染环境,不破坏生态。
芯太阳集团致力为光伏系统提供最优的产品方案,针对不同电路拓扑,匹配相应的SiC、IGBT单管及IGBT模块产品。
光伏逆变器
应用系统图
应用系统图
光伏逆变器
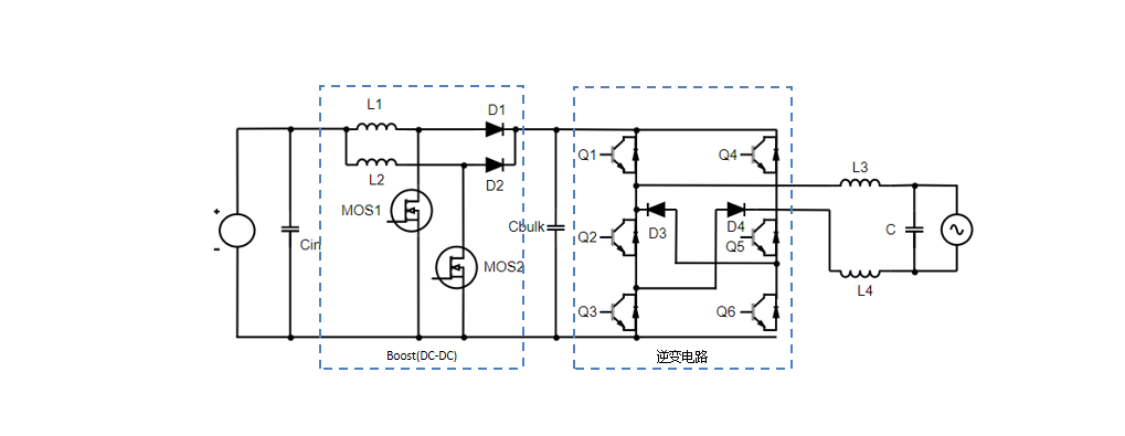
应用拓扑图
应用拓扑图
光伏逆变器
推荐产品
推荐产品
IGBT单管产品清单
| Part Number | VCE(V) | Ic(A)@100℃ | Vcesat(V) @25℃ typ |
Eon(mJ) | Eoff(mJ) | Package | Datasheet |
|---|---|---|---|---|---|---|---|
| MPBW50N65E | 650 | 50 | 1.6 | 1.22 | 1.2 | TO-247 | Download |
| MPBW50N65EH | 650 | 50 | 1.54 | 1.14 | 1.26 | TO-247 | Download |
| MPBW15N120BF | 1200 | 15 | 1.8 | 1.17 | 0.95 | TO-247 | Download |
| MPBW25N120BF | 1200 | 25 | 1.9 | 1.6 | 1.9 | TO-247 | Download |
| MPBW40N120BF | 1200 | 40 | 1.85 | 1.6 | 3.0 | TO-247 | Download |
| MPBW40N120E | 1200 | 40 | 1.7 | 2.56 | 2.13 | TO-247 | Download |
| MPBQ50N120B | 1200 | 50 | 1.8 | 5.5 | 3.21 | TO-247 plus | Download |
| MPBL75N120BF | 1200 | 75 | 1.9 | 5.4 | 4.1 | TO-264 | Download |
| MPBQ75N120BF | 1200 | 75 | 1.9 | 4.6 | 4.4 | TO-247 plus | Download |
硅基芯片及模组系列
第三代半导体芯片及模组系列